Cảm biến đo mức nước điện cực 4 mức hoạt động ở nhiệt độ cao của hãng MMT, xuất xứ Italia, là một sản phẩm mới 100% với đầy đủ chứng nhận CO và CQ.
Thông số kỹ thuật cảm biến đo mức nước điện cực 4 mức
Điện cực (Mã số: 710)
| Thông số | Chi tiết |
|---|---|
| Loại cảm biến | Điện dung |
| Vật liệu | Thép không gỉ AISI 303 |
| Cấu tạo | - 4 thanh điện cực bằng thép không gỉ 303, phủ Teflon. |
| - Đầu nối ren 1” GAS. | |
| Khả năng chịu nhiệt | 239°C tại thanh điện cực |
| Áp suất | Tối đa 32 bar |
| Khối lượng | 750g |
| Ứng dụng | Nước và các chất lỏng khác |
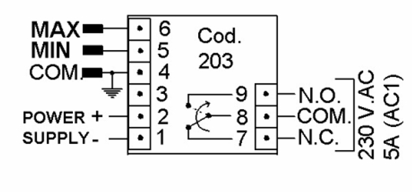
Bộ điều khiển ON/OFF (Mã số: 203)
| Thông số | Chi tiết |
|---|---|
| Đấu nối | Bằng vít |
| Cấp bảo vệ | IP30 |
| Đèn báo trạng thái | - Xanh: Báo nguồn |
| - Đỏ: Báo trạng thái | |
| Độ nhạy | - Tiêu chuẩn: 10 µS - 10,000 µS |
| - Theo yêu cầu: 1 µS - 20 µS hoặc 0.3 µS - 2 µS | |
| Tiếp điểm | NO - 5A - 230VAC |
| Nguồn cung cấp | 24, 110 hoặc 230VAC |
| Tần số | 50-60Hz |
| Công suất tiêu thụ | 5VA |
| Khối lượng | 190g |
Hướng dẫn lắp đặt
Lắp đặt cơ khí
- Cảm biến cần được lắp đặt theo bản vẽ hướng dẫn cụ thể:
- Bộ điện cực kết hợp với giá đỡ điện cực mã số 999-710-01 gồm 4 thanh ren dài tổng cộng 1m.
- Thiết lập chiều dài của các điện cực theo kích thước bồn chứa với bốn mức đo mong muốn:
- Điện cực cao nhất ngắn nhất.
- Điện cực trung gian dài hơn.
- Điện cực chung là điện cực dài nhất, luôn ngâm trong chất lỏng.
Đấu nối điện
- Khi các điện cực đã được cố định vào giá đỡ, chúng tự động kết nối điện với đầu nối DIN mà không cần thao tác thêm. Liên kết bên trong có thể nhìn thấy trong hình bên dưới:
- Đấu nối giữa bộ cảm biến và bộ điều khiển cần sử dụng cáp có vỏ bọc chống nhiễu, đặc biệt cho khoảng cách xa.
- Điện trở tải tối đa là 500 Ohm.
- Kết nối điểm GND của bộ chuyển đổi với điểm GND của thân bồn hoặc thanh điện cực phụ hoặc ống kim loại (nếu bồn và chất lỏng là vật liệu không dẫn điện)
Hướng dẫn cài đặt đo mức nước điện cực 4 mức
Trên bộ điều khiển có các nút cho phép người dùng điều chỉnh tăng giảm độ nhạy và delay như hình bên dưới:
Bộ điều khiển có các nút cho phép người dùng điều chỉnh độ nhạy và thời gian trễ để phù hợp với nhu cầu sử dụng. Sản phẩm này là giải pháp lý tưởng cho việc đo lường mức nước trong các ứng dụng công nghiệp đòi hỏi độ chính xác cao và khả năng chịu nhiệt tốt.


THIÊN PHÚ THỊNH cung cấp đa dạng BIẾN TẦN - PLC - HMI - TỦ ĐIỆN - THIẾT BỊ ĐÓNG CẮT - CẢM BIẾN - KHỞI ĐỘNG MỀM: Biến tần Simphoenix; Biến tần Yaskawa; Biến tần ABB; Biến tần FUJI; Biến tần Mitsubishi; Biến tần Danfoss; Biến tần Hitachi; Biến tần Veichi; Biến tần Shihlin; Biến tần Siemens; Biến tần Xinje; Biến tần Inovance; Biến tần Nidec Control Techniques; Biến tần Schneider; Biến tần Delta; Biến tần LS; Linh kiện biến tần;....
Công ty TNHH Tự Động Hóa Thiên Phú Thịnh - TPT Automation
Địa chỉ: Số 1B, Đường Tú Xương, Khu Phố 1, Phường Hiệp Phú, TP Thủ Đức
Hotline/Zalo: 0909 623 689
Email: Thienphuthinh.auto@gmail.com
Fanpage: https://www.facebook.com/TPTAutomation
Website: https://thienphuthinh.vn/
Tìm hiểu thêm: https://sieuthibientan.com.vn






Xem thêm